进入适老模式
无障碍阅读
注册
|
登录
本站搜索
首页
走进焦作
要闻动态
政务公开
政务服务
政民互动
首页
>
专题专栏
>
政府网站普查情况专栏
>
政府网站年度报表
>
2022年度报表
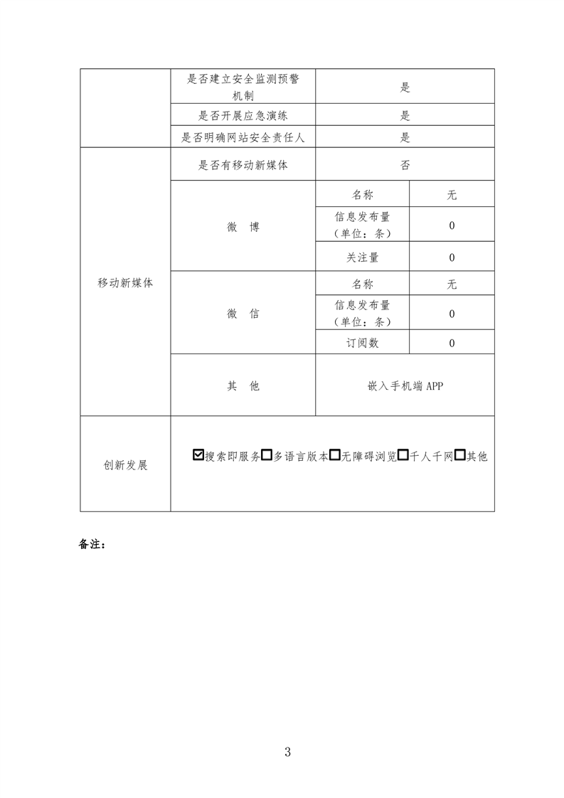
2022年信用焦作网站工作年度报表
发布时间:2023-01-28
来源:焦作市人民政府
分享:
【打印】
【字体:
大
中
小
】
相关阅读:
扫一扫在手机打开当前页
河南省
郑州
洛阳
开封
安阳
新乡
濮阳
焦作
鹤壁
三门峡
商丘
许昌
漯河
平顶山
驻马店
周口
南阳
信阳
济源
焦作市发展和改革委员会
焦作市文化广电和旅游局
焦作市生态环境局
焦作市工业和信息化局
焦作市医疗保障局
焦作市公安局
焦作市民政局
焦作市科学技术局
焦作市司法局
焦作市教育局
焦作市财政局
焦作市人力资源和社会保障局
焦作市自然资源和规划局
焦作市住房和城乡建设局
焦作市城市管理局
焦作市交通运输局
焦作市水利局
焦作市农业农村局
焦作市商务局
焦作市卫生健康委员会
焦作市应急管理局
焦作市审计局
焦作市体育局
焦作市统计局
焦作市粮食和物资储备局
焦作市国防动员(人民防空)办公室
焦作市信访局
焦作市气象局
焦作市林业局
焦作市住房保障中心
焦作市市场监督管理局
焦作市住房公积金中心
解放区人民政府
山阳区人民政府
中站区人民政府
马村区人民政府
焦作市城乡一体化示范区
沁阳市人民政府
孟州市人民政府
博爱县人民政府
武陟县人民政府
修武县人民政府
温县人民政府
焦作市园林绿化中心
焦作智慧金融服务平台
焦作日报社
焦作地名网
中央人民政府门户网站
省政府及各地市
市各部门
县(市)区
市其它网站